• Welcome to For Trucks Only !

    We are a community of American Brand Pickup Truck and SUV owners. Join now! Its Free!

1979 Dodge Lil Red Express Truck Restoration

that should be sweet. The more i see these trucks, the more I want a set of stacks for mine.
 
Accomplished a huge milestone after a couple weeks of hand-wringing and issues. Resolved the leaky carb with new set of gaskets (spacer, base and bowl cover) and also gave the carb the once over to make sure all the internals were good before sealing it up. Which was good because I noticed two big things...one of the metering rods was missing and the other one wasn't in it's hole in the bowl so the metering rod tee was stuck in the open position (shakes head). Also looked like one of the bowl may have been misaligned.

After putting the carb back on it still didn't have much power and was still pinging under load. After working with timing and other carb settings, I decided to pull spark plug wires to see if it wasn't firing on all cylinders. It wasn't. I pulled all 4 wires from the left bank (2,4,6,8) and there was no change in idle. Poked around with that for awhile; had spark and plugs were good (albeit absolutely clean), checked carb more for fuel related issues...opened oil filler cap while engine was running...the rockers were barely moving, I didn't torque them down, all the bolts had loosened. I'm pretty surprised because I made a mental note to never trust myself while rebuilding the engine that I had properly torqued everything down, so I often double and triple checked. Anyway...pulled the rods and they were looking good, except one wouldn't come out...it was jammed into the lifter (see below). I actually found two lifters where the oil metering disc and pushrod seat had come out. I retrieved the pieces, snapped them back in, checked to see if the rods were bent and torqued everything down. Started right up.
IMG_0730.PNG


The milestone? Yesterday was the first day in 8 years I've ever driven this with all 8 cylinders (drove it a whole 3 minutes when I first got it and had no power) and man, did all that power feel nice! My boys were laughing at how I couldn't stop grinning all day. And being a nice day after the Safer At Home order was lifted in my county in WI, people were walking about and I got a lot of looks, smiles, thumbs up and requests for burn outs. Still needs an alignment bad (some squealing around corners and at speeds over 35) and fenders, doors, hood and core support all need to be loosened and re-aligned. And I'll still hand it over to my mechanic to do some final tuning.
IMG_6926.jpeg

The color you see (particularly the hood) is what the final will be close to, satin black.
 
Got the truck in for an alignment. Took a video of Logan taking it in and realized it’d be cool to toss in the clip of he and I from 9/2011 when I first drove it. Video ends with him driving it back after and me following in the ‘04 Mach1.
 
I was perusing this entire thread. Answered some really important questions for me about fitment of a newer cab on an older rig. It doesn't look like a quick process to swap them over, but I think it's how I'll proceed. Glad to have seen this thread! Super valuable for me.

And, cool rig!!!!
 
I realized I didn't put a full list of what changes I made to accomodate the '85 (4x4) cab...

I was able to put pretty much everything on it that I had for my Lil Red. I used the dash, heater core, brake booster. The doors and fenders fit fine since they didn't extend that upper body line into the cab on '81 and later. The roof line is different and you can see it in an earlier post, but nobody's really going to notice that.

I had to do the following:
  • did a little cutting for the heater core.
  • cut a hole in the cowl area on firewall for the hose to the heater core.
  • use the wiper motor from the new cab.
  • used the '85 gas pedal but had to drill a hole for the throttle cable.
  • cut a larger hole for the wiring harness connector
Probably a few small other holes here and there for stuff, but nothing big...man, those step drill bits are amazing for this type of work.
19082CD3-103F-4C9B-9384-2BD391A606C2.jpeg
C0C235F2-C030-42E4-B5D2-9DCAAE6ADC8C.jpeg
01522EB6-E1BA-4AFA-8AB0-8698190231F0.jpeg
9708475F-E1B8-444D-A8A3-4B105B19E4C3.jpeg
2A9BF47A-905B-476D-9A51-5539FAA263E5.jpeg
15F8A348-5F3E-4477-9691-9261D335C659.jpeg
 
I found a guy that makes 6x9 speaker mounts for the back and also found a marine Bluetooth stereo to fit where a tach would go (didn’t want to cut up main dash). Also has a nice black cover to hide the technology.

F9DC80EA-3DCE-42BB-8EE8-B92C76BB9389.jpeg


036FD5DD-7A2E-4555-AA78-4653BCBBF679.jpeg


1E026C43-B974-4A47-82BB-C6C42FCE8B0A.jpeg
 
Got the interior wrapped up with new carpet for the 4x4 cab and put in the bed floor as well as the new wood for the tailgate.
I wanted to get as much done for the local car show. I was also testing screws for the side bed wood I got from the hardware store.
D979646D-EB98-4E4B-8C2B-2EF097F68396.jpeg
FB87C693-83F8-4F1D-873F-B46615C5F21C.jpeg


D2EE1C78-6ECF-4380-B5D3-9E05EC36FDC5.jpeg


8D54DBB5-7760-42B3-9C3F-A34A4C981AFE.jpeg
 
Car show was fun. Me and the boys also took our Mach1 and Volvo 240. Just happened to park back to back with a fully restored Lil Red...we never see Lil Reds in our area.

C59C572A-C0B1-4726-B3EB-73540189D06C.jpeg


63050909-C1A6-44D6-9004-1FD722F6BC4A.jpeg


E1B59229-4603-4895-92DC-139C49B347C2.jpeg


55623034-BBDC-4FC8-8685-48953ED53774.jpeg
 
Did the bulkhead shape give you any grief on the firewall? One my dream list along a set of stacks is an older style dash like yours. Gotta say, I'd definitely would have looked at the restored Lil Red, but I woulda stopped at yours first.I always had a multi colored vehicle, and not used to having everything one color.
 
Did the bulkhead shape give you any grief on the firewall? One my dream list along a set of stacks is an older style dash like yours. Gotta say, I'd definitely would have looked at the restored Lil Red, but I woulda stopped at yours first.I always had a multi colored vehicle, and not used to having everything one color.
No issues other than fitting the old heater core...which really didn’t require much other than a couple new holes. But the dash screwed right into place without any issues.
 
Finally burned out the bulkhead connector wiring from the alternator. It looked a bit burned already but with a flash and a zap that was the end of that.
059E0A0E-2E3E-4E7F-A5A5-8F609FB98798.jpeg
9565803A-38BF-4BCF-8C33-F97B36FED9A9.jpeg
 
Ran wire through the bulkhead and spliced into the old wire
321AC337-2026-45A9-A44E-B716ED008A00.jpeg


Spliced the ammeter leads with the voltmeter lead

B4D6EAA0-2BB8-47BF-9591-8C5A180F62B3.jpeg


Spliced a terminal end to the ammeter line and tied into the starter relay.
192100BA-E86A-4E68-BD94-6CA15F05B2B4.jpeg

All lines terminating at starter relay
01F5E6F8-D7C1-41CD-8056-C399F0CA99EB.jpeg


95F90EAF-BDDA-4097-99AE-4B43676672F6.jpeg
 
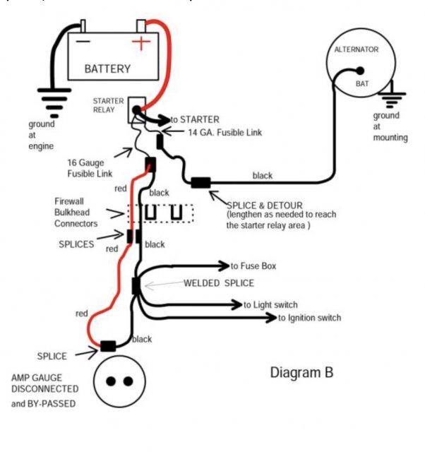
I ended up NOT terminating the line I split off the alternator to the starter relay. That’s the black wire in the rewire diagram that goes from starter relay through the bulkhead connector and then turns into the red wire that loops back back to the starter relay.
I figure since I’m not running it to the ammeter it’s not necessary.
 
I only had one chrome step so I cut into the extra non-chromed ones I had. Painted them black with a red accent stripe and gloss clear coated them. Used some Mothers polish and a foam polishing cone on my stacks and they came out great.
80EDDC11-9611-41B9-909C-62052566F469.jpeg
4215C0A7-0E02-4F42-9237-DA23A34C079B.jpeg
31A4C720-43B1-4F40-A5E1-ADB351E15B59.jpeg
9982D0BC-CA43-4424-948D-F1D1E3B0E3E4.jpeg
 
Spent a month trying to get a drive ability issue resolved where it would idle like crap and die. Turned out it was a bad new coil. It would drive fine until the coil got too hot and then it’d start to fail on me. So after chasing down every possible electrical, vacuum or carb issue it now runs amazing!
 
Back
Top